Fujitsu 建設業向け設計計算支援サービス
圧密沈下計算システム
DECALTO(デカルト)
<FCENAシリーズ>

特長
- 施工に即した沈下計算
- 盛土載荷施工時の沈下形状から、載荷する盛土形状、および載荷重を自動計算
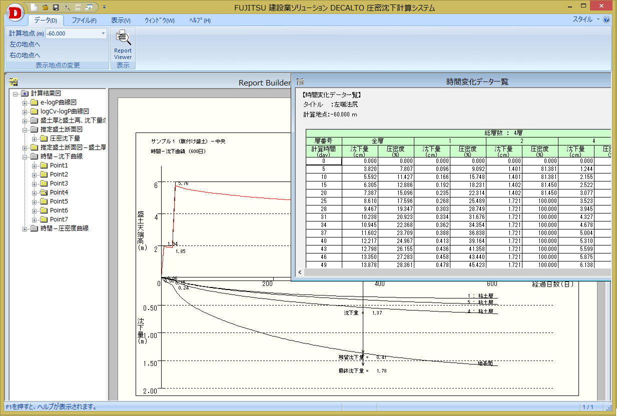
- 時間-沈下曲線の作成方法は、”平行移動法”と”重ね合わせ法”を選択
- 層厚換算法は、”平均圧密度法”と”土層別圧密度法”を選択
- 促進工法で、Barron式、Yoshikuni式、Hansbo式、Onoue式を選択
- 任意の指定日から促進工法を設定
- 施工日は暦日の指定も考慮でき実際の施工日の入力が可能
- 便利な計算機能
- 任意の地中増加応力の計算(任意の地層で建物荷重をある分散角で拡大した地中増加応力として計算)
- 換算層および各層の両面排水、片面排水(上面排水、下面排水)の選択
- 水位面以下の盛土に作用する浮力による沈下量の減少を考慮
- 設定した許容残留沈下量と計算による最終沈下量を比較・判定(性能照査表示に対応)
- 地下水位低下工法(消失した浮力分を下向きの荷重として載荷)への対応
- 原地盤の床掘りによるリバウンド/埋戻し土層の増加応力による沈下計算が可能
- さまざまな連携機能
- 斜面安定計算システム「COSTANA」へ沈下前形状、沈下後形状、圧密度、荷重を連携
- 汎用CADデータ連携から、地層節点・水位線を生成
- 旧バージョンデータの生成(V12.1-V12.2、V13.1-V13.3、V14.1-V14.3)
- 計算結果を自由に編集(ReportBuider)
- イメージや文字、CAD図面の貼り付けやレイアウト変更など、出力図面を自由に編集
- 再度計算時、編集したレイアウトに従い結果図が作成
- 編集した図面はテンプレート化してメンバー間で共有
- 沈下予測計算
- 実測沈下曲線に再設計した沈下曲線を一致させるためのトライアル計算
- 双曲線やlogt法などで残留沈下量や収束時期の予測
- 盛土周辺地盤の変形(沈下量、側方変位、盛土法尻部の隆起量)の簡易予測機能
- 不同沈下計算
- 沈下形状を3次元的に図示
- 地層構成は2次元断面(XZ平面)の形状を任意に作成し、奥行方向(Y軸方向)に均一な形状
- 荷重は矩形の等分布荷重、盛土荷重、任意形状の荷重の3種類が入力可能
商品体系
| 基本システム | 圧密沈下計算システム
|
|---|
機能
| 計算条件 | 粘土層におけるΔe法、Mv法、Cc法、即時沈下、側方変位、二次圧密、泥炭層での沈下計算 地下水位低下工法(消失した浮力分を下向きの荷重として載荷)への対応 原地盤の床掘りによるリバウンド/埋戻し土層の増加応力による沈下計算 粘性土の即時沈下量の計算方法として"設計要領第一集"、”柔構造樋門の手引き”、”道路土工 軟弱地盤対策工指針”、”建築基礎構造設計指針”を採用 |
|---|---|
| 荷重条件 | Boussinesqによる任意荷重、圧密先行荷重の増加量、盛土荷重の載荷距離の切り替え可能 |
| 荷重除去 | 盛土・任意荷重の除去指定可、荷重除去によるバウンド量の算出可 真空載荷圧の段階載荷と除去に対応 |
| 盛土、土層形状 | 任意形状、腹付け盛土の設定可、任意の水位線形状を設定可、土層の掘削(床堀)に対応 |
| 促進工法 | サンドドレーン、サンドコンパクションパイル、パックドレーン、ペーパードレーン |
| 曲線登録 | e-logP曲線、logMv-logP曲線、logCv-logP曲線など |
| その他の計算機能 | 国土技術研究センター『柔構造樋門設計の手引き』の軟弱地盤における側方変位を考慮 日本港湾協会『港湾の施設の技術上の基準・同解説(2007年)』の二次圧密計算機能 計画盛土高計算で沈下後の天端高さを予測、複数ケースを一度に計算して比較検討 サンドマット上の車両通行によるせん断破壊判定 陸上工事における深層混合処理工法設計・施工マニュアルに対応し、改良地盤の圧密沈下量の検討が可能 |
| 出力機能 | e-logP曲線、logMv-logP曲線、logCv-logP曲線、盛土高と沈下量の関係図 推定盛土断面図、側方変位図、時間-沈下曲線図、時間-圧縮度曲線図 時間変化データ一覧、報告書出力、CSV出力 |
| 結果編集機能 (ReportBuilder) | 作成した報告書をWord文書に変換 解析結果図のスケール統一(各点で出力する結果の最大値を統一) |
動作環境
| ハードウェア | Windows 11が稼動するパソコン |
|---|---|
| 出力装置 | Windowsドライバが提供されているプリンタ/プロッタ |
| 適応OS | Windows 11 ※日本語版OSのみ対応 |
| メモリ | 4GB以上(推奨:12GB以上) |
お客様サポート
eWide / eSpot サービスには下記のサポートが含まれます。
- 最新版のご提供
- 機能強化、操作性向上を含む最新版製品のご提供
- Q&Aサポート
- 製品の仕様、利用方法、運用環境等に関する質問へのメール回答
- サポート時間:9時30分~12時、13時~17時(平日)
(土日・祝日・年末年始等の弊社休業日は時間外とさせていただきます。)














